我局收到罗穗萍(联系电话:1350925****)关于其住宅项目建设工程设计方案变更的申请及有关材料。现根据《中华人民共和国城乡规划法》、《广东省城乡规划条例》的有关规定,现将该项目向社会公示。
一、项目位置:连南瑶族自治县商业城三小区
二、公示时间:2021年6月22日——2021年7月1日,共10天
三、公示方式和地点:
1、项目建设用地现场 2、连南县政府网站 http://www.liannan.gov.cn/
四、意见及反馈:
1、公示期间,凡对以上内容有异议的,可通过书面或网上留言等形式进行反馈;
2、有效的反馈意见,必须包括提出异议的理由、反馈者的真实姓名、有效联系方式、身份证复印件(个人则提供身份证复印件,单位则提供法人身份证复印件,委托代理人则提供委托代理人身份证复印件),利害关系人必须提供相关证明材料(如产权证或销售合同复印等),有效的反馈意见,将作为行政许可的参考;
3、利害关系人有申请听证的权利,如需申请听证,请于公示期间向我局听证机构提出书面申请,逾期提出的,视为放弃以上权利。如有利害关系人,请在公示期间联系相关部门。
五、联系部门及电话
连南县三江镇团结大道行政服务中心16楼国土空间规划管理股 电话:8664800 邮编:513300
连南瑶族自治县自然资源局
2021年6月22日
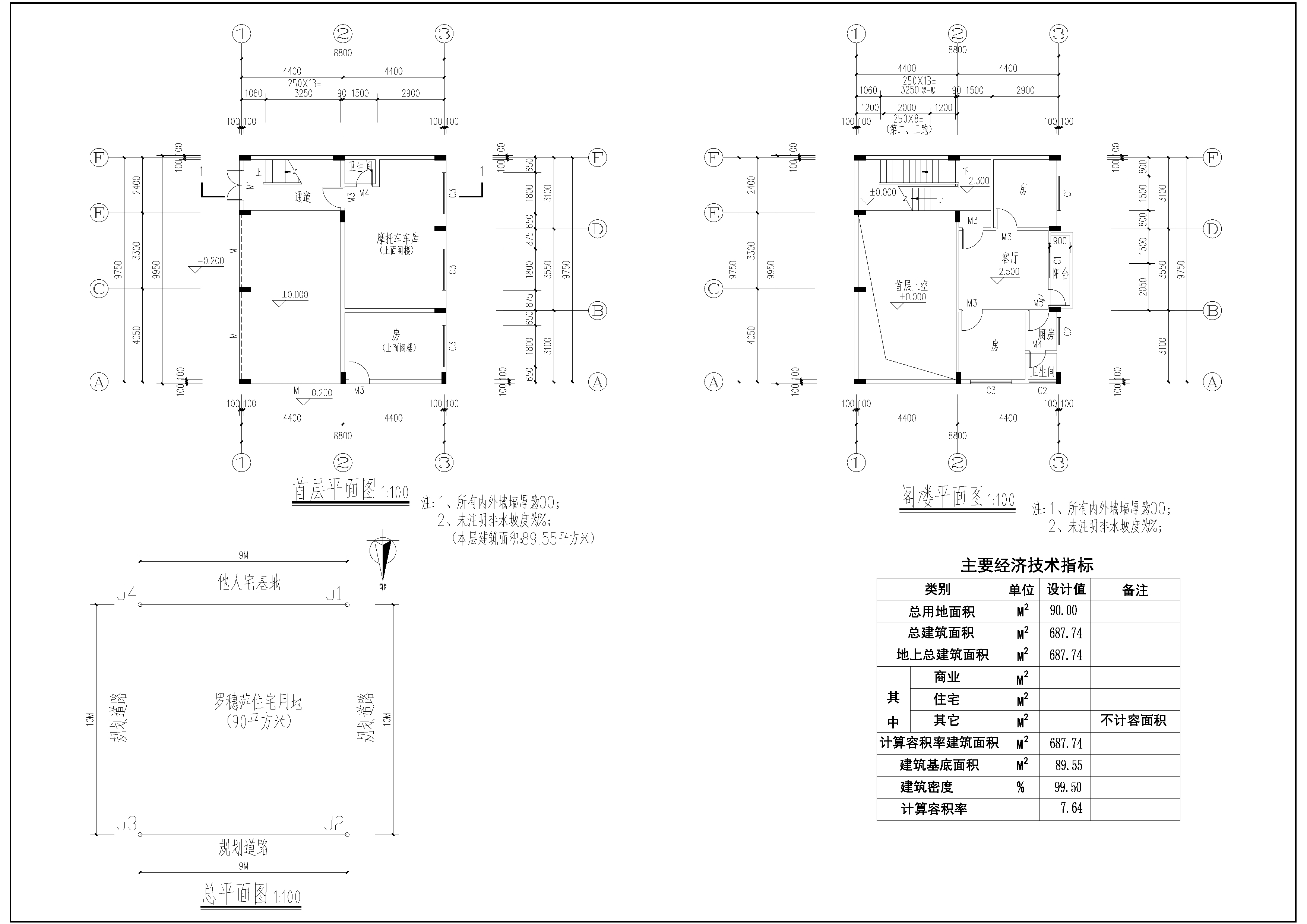
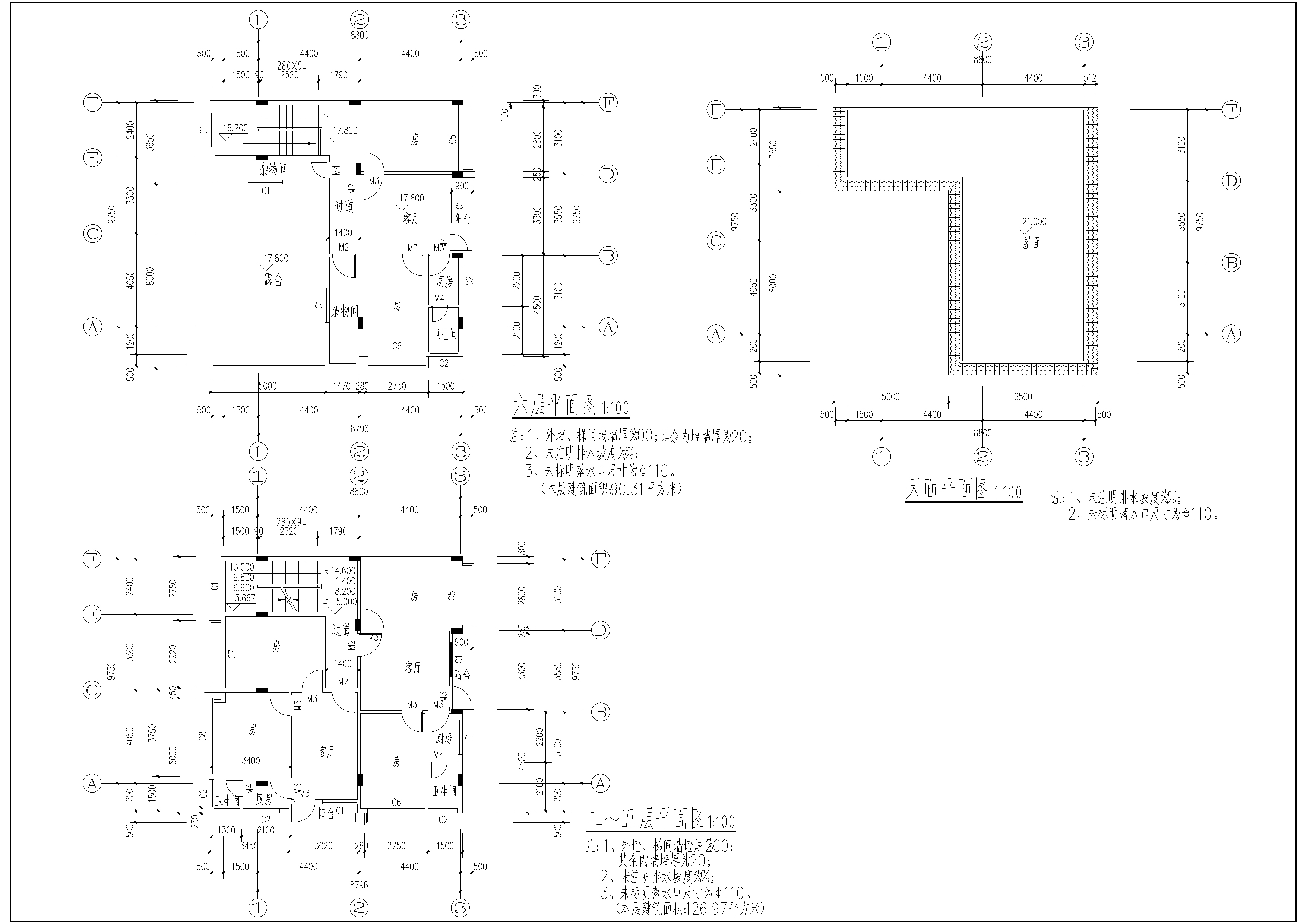
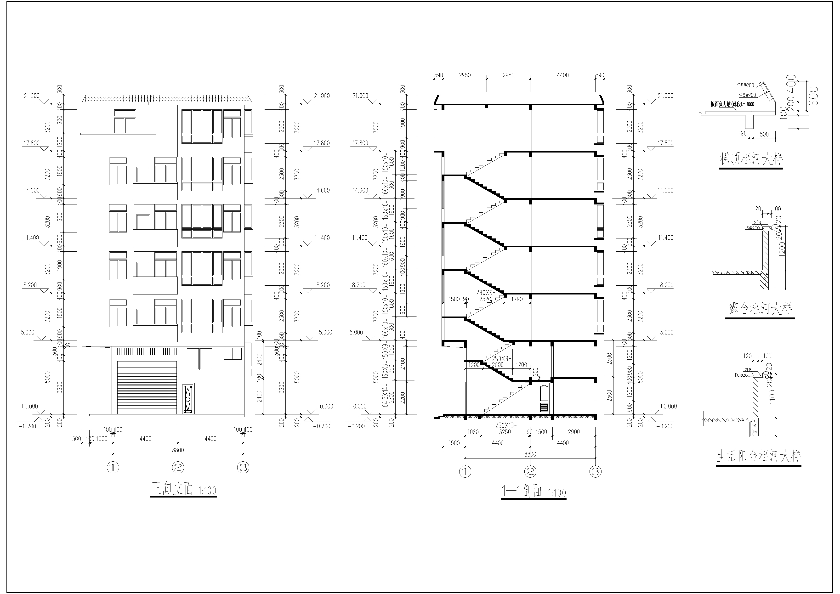
项目概况:罗穗萍住宅项目位于连南瑶族自治三江镇商业城三小区内。项目变更前后主要经济技术指标如下:该项目占地面积由90㎡变更为89.55㎡,总建筑面积由721.3㎡为724.04㎡,建筑层数由6.5层变更为5.5层。详见项目附图。
项目附图:

总平面、首层平面及阁楼平面图

二至五层、六层及天面层平面图

立面图及剖面图